摘 要:国家体育场“鸟巢”作为2022年冬奥会的开幕式和闭幕式的举办场地,其夜景效果不只需在世界面前展现,还将勾起无数国人关于2008年奥运会的回忆。基于此,文章在介绍鸟巢泛光照明改造工程基本情况的基础上,分析工程的总体电气设计,然后从照明控制方案、谐波处理与控制、节能设计、利旧和可持续发展设计方面来分析泛光照明改造工程中的注意事项和设计思考,以期为类似工程提供参考。
关键词:鸟巢 泛光照明改造工程 电气设计
国家体育场“鸟巢”是2008年北京奥运会的主体育场,是北京现代最具地标性的体育建筑和奥运遗产,自建成后承接奥运会、残奥会等开幕式、闭幕式及一些重要体育赛事。2008年奥运会之后,这里成为北京举办体育活动、演唱会的场地和重要的旅游景点,2022年又将在这里举办第二十四届冬奥会和第十三届冬残奥会,作为世界上唯一一座举办夏奥和冬奥的“双奥”之城,北京将再次举世瞩目,而作为举办“双奥”开、闭幕式的体育场馆已悄然走过了14个年头,如今为再次站在世界舞台之上,鸟巢需进行修复和提升,而泛光照明则是其中重要的一项内容。
鸟巢的建筑外形是一个异形空间结构体系,外形非常复杂,但也是由最基础的结构单元——桁架组成,立面与屋面的桁架相互交叉,共同编制形成了“鸟巢”结构体系,鸟巢的泛光照明则以桁架及立面红色墙体、屋顶ETFE膜和PTFE膜为载体展现照明效果[1],自建成后于2012年进行过一次提升补充照明;该次泛光照明改造工程的目标为在还原鸟巢经典夜间形象的同时,使其焕发出具有新时代的生机。提升改造内容为用寿命长、能效高、维护更少的可变色LED灯具替换原有的白光金卤灯及黄光钠灯等传统光源,屋顶采用功率为400W、色温为RGBWA的投光灯,立面桁架采用功率为350W、色温为RGBWA的3种发光角度投光灯照射,内侧红色墙面采用6种不同功率不同角度的线性洗墙灯分别对不同高度和位置的载体进行照明。
2.1 总体电气设计
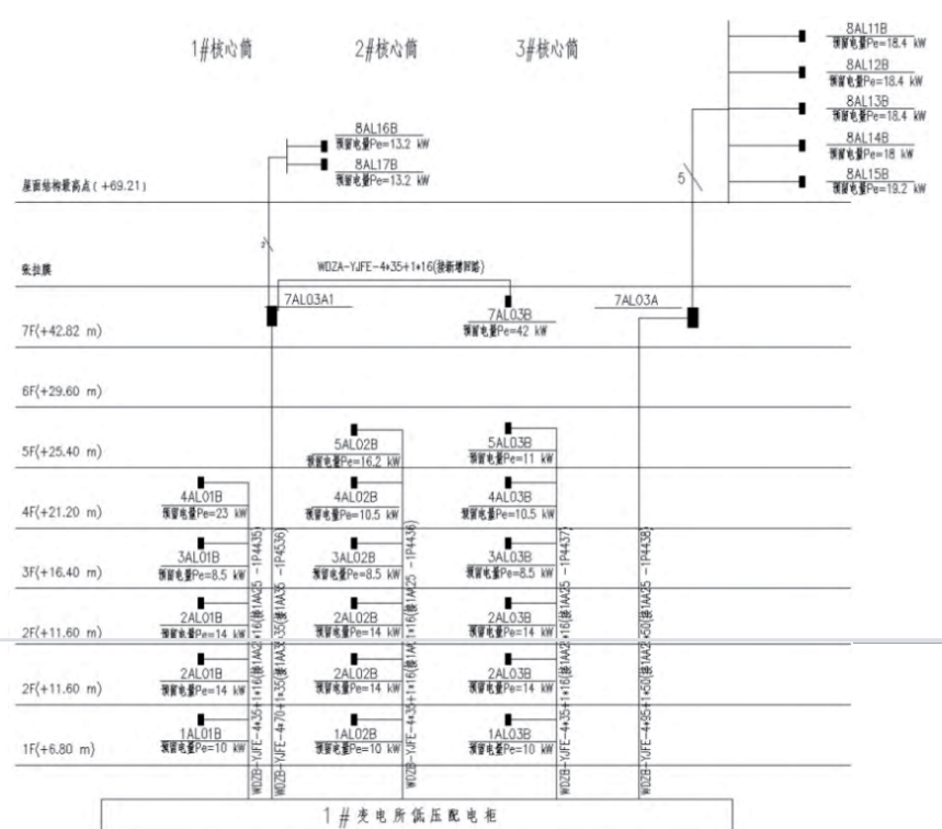
鸟巢的内部整体分为4个区域,分别是最中心的比赛区域、外侧的看台区域、过道走廊区域和12个核心筒。核心筒分散于四周,东西方向为建筑最高点、南北方向为建筑最低点,核心筒最高为7层建筑,最低核心筒仅有四层建筑。电气配电采用原系统的树干式,即每个核心筒1条干线,由3、4、9、10号核心筒各引2条干线至屋顶分线箱,再由分线箱为屋顶及7层电箱配电[见图1(见下页)]。立面照明的电箱均放置在核心筒内的强电间,屋顶的照明则是在屋顶马道或部分核心筒顶部平台上安装,以现有电箱经过改造、修复、增加回路等手段满足配电回路需求,如仍无法满足使用要求,则进行整体替换[1]。对于由配电箱至灯具管线的规格及敷设方式,则根据灯具数量、功率、压降、回路灵敏度等进行设计[2]。
2.2 谐波处理与控制
除降低能耗外,另一项重要的改造指标则是谐波的控制和治理,由于将原有LED灯具、钠灯具全部替换为LED灯具,泛光照明灯具数量多、总体功率大,所产生的谐波如果不加以控制,会对电网造成较大危害,且不利于节能环保。为解决谐波干扰,首先要做到的就是减小负载(即照明灯具向电网注入的谐波电流),也就是使电流波形尽量畸变小,选用灯具时要求谐波含有值满足《电磁兼容限值谐波电源发射值(设备每相输入电流≤16A)》(GB17625.1—2012)的规定[3],设备订货前,厂家需提供实测谐波含有值数据。其次,在配电方面,三相照明线路的各项负荷分配保持平衡,最大项、最小项与三相负荷平均值差距控制在15%以下;要求选择带有功率补偿功能的开关电源,补偿后的功率因数不小于90%,这有效地减少了无功功率所带来的损失。最后,在低压配电室安装有源电能质量综合滤波补偿器(DAS),通过电流互感器采集系统的谐波电流,通过实时检测系统的电流分量,通过控制计算及逻辑变化,计算出系统所需的无功分量及谐波分量,然后通过三相全桥换流电路实时产生系统所需要的无功与谐波电流,并注入配电系统中,实现智能补偿、无功补偿兼谐波治理。

图1 1#~3#核心筒泛光照明配电干线图
2.3 照明控制方案设计
该项目采用i-bus总线智能照明控制系统和DMX512控制系统;分时段、多模式、多场景、智能、合理控制开灯时间,可以有效节约资源。
(1)i-bus智能照明系统,是负荷EIB总线标准、低成本运行的系统,以弱电总线通信的方式控制强电末端模块设备,强电控制模块安装于照明配电箱内。i-bus总线控制系统安装于中控室工控机内,通过有线信号控制强电回路的模块通断,因电箱位置和数量未有变化,原有控制线路经过检测后仍可以利用,但原有控制模块无法找到相应厂家进行匹配,因此更换所有控制模块并对软件系统进行重新安装,并经过调试后可正常运行,并设定为分阶段启动灯具,设定回路间隔启动时间,避免同时启动对电网造成过大冲击。
(2)DMX512控制系统,即灯具及设备均采用DMX512数字调光协议组成的控制系统,该工程更换后所有灯具全部采用DMX512协议控制方式,其中线性洗墙灯的色温为RWA,且灯具需有灯具总亮度调光和色温曲线调光,故线性洗墙灯的通道数量为5通道;投光灯的色温为RGBWA,也同样具有总亮度调光和色温曲线调光,故投光灯的通道数量为7通道;共需要4万余通道。对原有DMX512控制系统进行检测,发现已无法利用,且原有DMX512协议并非标准协议,于是考虑进行全部更新。在每个核心筒放置一台交换机作为数据汇聚层级,也在屋顶放置一台交换机作为数据汇聚层级,连接灯具与控制主机,汇聚层采用信号线环形接入方式连接分控器,某一段线路出现问题后,可由另一侧传输信号,避免信号传输受阻。控制主机分别设置在中央控制室、冬奥指挥中心和控制中心,与各交换机采用单模四芯光纤进行数据交互[见图2(见下页)]。对各控制室设置指令级别,确定指令的优先级,以确保各模式控制不会产生冲突;并设定控制系统对于异常断电有长时间的数据保护能力,使其在电力恢复供电后能够正常进行控制,也能够在特殊情况下切换为手动操作的装置。由于鸟巢项目的特殊性,对鸟巢灯具有特殊性的要求,即要求灯具在无信号接入情况下能够稳定保持在试灯最佳的亮度和色温效果,使其可以应对多种突发状况和不稳定因素。
DMX512控制系统与i-bus总线智能照明控制系统所控制的灯具回路存在一定的对应逻辑关系,一定程度避免灯具或设备损坏、维修、更换会造成更大面积的不可控和不良照明影响[4]。

图2 控制系统干线图
2.4 节能设计
该项目各方关注的一个重要指标,也是项目本身的一个重要要求便是节能。改造前共用金卤灯740套,钠灯421套,LED投光灯733套,LED线型灯4855套,总功率约为778kW;改造后工程共用灯具7064套,其中投光灯具2228套,洗墙灯具4836套,灯具的总计算功率为1169kW。虽然灯具的总功率有所增加,但选择灯具时考虑到运行的正常光衰及通过变色、调节亮度保证实现长久的同一亮度色彩效果,因此改造后项目并非按照最大功率值工作。且根据时间日期照明暂时分为四种运行模式,分别是平日模式、一般节假日模式、重大节日模式和活动模式,根据前期预估计算、后期试灯、实际亮灯后的计量测量,可分析出平日模式总功率为417kW,一般节假日模式总功率为487kW,重大节假日模式总功率为645kW,活动模式总功率为756kW;通过对各种模式的设定,可得出在相同时间模式下,改造前后亮灯方案对比。经计算得出改造后相较于改造前可实现21%的节能(见表1),也为国家实现“双碳”的战略目标做出了贡献。
表1 改造前后照明灯具耗电情况对比

2.5 利旧和可持续发展设计
对于改造项目而言,哪些设备可以利旧和维修,哪些设备需拆除、作废、更换和补充,对未来的可持续发展具有重要意义。全部重新设计是最简单和方便的,但这样造成的经济压力和过度浪费往往是难以接受的,这时候就需要进行一步重要的工作,即现场测量考察电缆、电箱是否可用、预留电量是否充足,灯具的光衰是否可以接受等情况;在对现场情况进行清晰准确的考察之后,再从实施、经济、安全、可持续发展、影响等方面,讨论选择利旧、维修、更换的设施材料范围[5]。该次设计考虑到项目的长期运行灯具的正常光衰,在设计阶段即对功率进行了预留,可保障未来光效衰减后通过调光仍可达到最佳效果,并且改造后采用了可变色的投光灯,满足不同阶段多元化的夜景照明效果;控制也提升为标准DMX512开放式协议,方便今后的运营扩容,满足未来的发展需求。
随着城市的发展建设,很多老城区、既有建筑等需要重新焕发新的魅力,泛光照明改造提升将肩负起越来越重要的功能。要针对如何表现夜晚的建筑语言、如何利用原有照明载体等问题,以及对更先进、智能、绿色的照明理念和技术的运用进行讨论,电气设计作为照明的基础和支柱也需要更加精进和创新,在符合“双碳”目标基础上,为高质量的夜景照明贡献一分力量。
参考文献:
[1]许士骅.国家体育场机电设备节能改造设计[J].智能建筑电气技术,2022,16(4):30-33.
[2]中国机械工业联合会.低压配电设计规范:GB 50054—2011[S].北京:中国计划出版社,2012.
[3]全国电磁兼容标准化技术委员会(SAC/TC246).电磁兼容限值谐波电源发射值(设备每相输入电流≤16A):GB 17625.1—2012[S].北京:中国标准出版社,2012.
[4]敖发兴,郑宇.体育建筑电气与工艺专业配合设计要点[J].建筑电气,2022,41(6):20-24.
[5]李维克.某科研办公建筑绿色电气节能设计案例分析[J].光源与照明,2022(3):171-173.
来源:《光源与照明》